|
|
В выносных АС используется, как правило,
многополосный принцип построения, т. е. весь воспроизводимый диапазон
частот подразделяется на несколько частотных поддиапазонов, каждый из
которых воспроизводится своей ГГ, которая в зависимости от этого называется
низко-, средне- или высокочастотной. В АС высшей категории обычно используется
три или четыре частотных поддиапазона; в АС других классов применяют одно-
или двухполосный принцип построения. Это обусловлено тем, что применение
одного широкополосного громкоговорителя не позволяет обеспечить равномерность
АЧХ акустической мощности в полном диапазоне частот и снизить уровень
интермодуляционных искажений. Принцип устройства многополосной АС показан
на рис. 1.3.

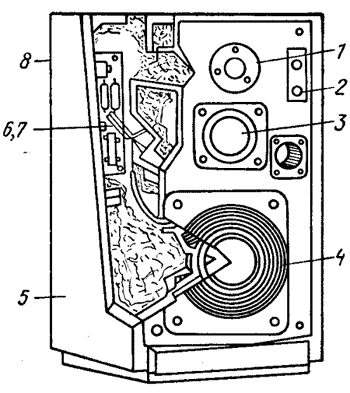
Рис. 1.3. Устройство многополосной акустической
системы
Многополосная АС состоит из следующих элементов:
- головок громкоговорителей, их число зависит от количества воспроизводимых
частотных поддиапазонов 4, 3, 1 (низко-, средне-, высокочастотных) и типа
АС;
- корпуса АС 5;
- встроенных электронных устройств 6, 7 (фильтры, корректирующие цепи,
схемы защиты и т. п.);
- регуляторов тембров 2 (необязательный элемент);
- входных разъемов (клемм) 8.
Требования к ГГ, работающим в многополосной АС на различных частотах.
Низкочастотные ГГ:
а) должны обладать значительной мощностью и возможностью работать продолжительное
время при повышенной температуре;
б) обеспечивать линейность характеристик при больших смещениях диффузора;
в) иметь низкие резонансные частоты;
г) желательна минимальная неравномерность ЧХ по звуковому давлению. Среднечастотные
ГГ:
а) должны обладать достаточной мощностью и возможностью работать продолжительное
время при повышенной температуре;
б) иметь наименьшие уровни линейных и нелинейных искажений;
г) желательна минимальная неравномерность ЧХ по звуковому давлению;
д) обладать частотой резонанса на октаву ниже ее низшей рабочей частоты,
совпадающей с первой частотой разделения фильтра.
Высокочастотные ГГ:
а) иметь верхнюю частоту воспроизведения 20... 30 кГц;
б) динамический диапазон должен быть не менее 100...110 дБ;
в) способность работать продолжительное время при повышенных температурах;
г) желательна минимальная неравномерность ЧХ по звуковому давлению;
д) обладать частотой резонанса на октаву ниже ее низшей рабочей частоты,
совпадающей со второй часто-той разделения фильтра в трехполосной АС.
В качестве низкочастотных ГГ используются конусные электродинамические
ГГ прямого излучения;
среднечастотных ГГ - как конусные, так и купольные электродинамические
ГГ (хотя широко стали применяться электростатические, изодинамические
и излучатели Хейла);
высокочастотных ГГ - купольные электродинамические ГГ (в последние
годы используют также пьезокерамиче-ские, электростатические, излучатели
Хейла и др.).
Наиболее распространенными конструкциями корпуса, используемыми в современных
многополосных АС, являются закрытый корпус с фазоинвертором и корпус с
пасивным излучателем (реже используют корпуса видов: свернутый рупор,
лабиринт, трансмиссионная линия и т. д.).
Электронные устройства, встраиваемые в многополосные АС
Электрические разделительные фильтры выполняют распределение
энергии звукового сигнала между ГГ. Их рассчитывают на определенную частоту
разделения, за пределами которой фильтр обеспечивает выбранную ве-личину
затухания, выражаемую в децибелах на октаву. Крутизна затухания разделительного
фильтра зависит от схемы его построения. Различные схемы разделительных
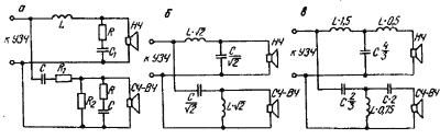
фильтров показаны на рис. 1.4.
Рис. 1.4. Схемы разделительных фильтров и коэффициенты пересчета элементов:
а -- первого порядка, б - второго порядка, в - третьего порядка
Фильтр первого порядка состоит из одного реактивного элемента -
емкости или индуктивности и обеспечивает затухание 6 дБ/окт (рис. 1.4,
a).
Фильтр второго порядка содержит по два реактивных элемента в цепи,
обеспечивает затухание 12 дБ/окт (рис. 1.4, б).
Фильтр третьего порядка содержит по три реактивных элемента, обеспечивает
затухание 18 дБ/окт (рис. 1.4, в).
Фильтры более высоких порядков применяются в АС редко из-за сложной реализации
точных значений элементов, с одной стороны, и отсутствия потребности иметь
более высокие значения крутизны затухания, с другой.
С целью компенсации изменения модуля электрического сопротивления ГГ при
включении ее через разделительный фильтр первого или второго порядка применяют
компенсирующие RС-цепи (рис. 1.4, а), включаемые параллельно ГГ. При этом
R можно выбрать равным номинальному значению входного сопротивления ГГ,
а ёмкость включенного последовательно с резистором конденсатора рассчитывают
по формуле: 
где Rном- номинальное электрическое сопротивление ГГ, Ом;
f 1- частота, на которой модуль электрического сопротивления увеличивается
в 1,41 раза (3 дБ) по сравнению с номинальным.
Ввиду того что ГГ, применяемые в многополосных АС, имеют различные номинальные
сопротивления и разную характеристическую чувствительность, они кроме
элементов фильтра и компенсирующих RС-цепей содержат также и делители,
выравнивающие уровень звукового давления среднечастотной и высокочастотной
ГГ по отношению к низкочастотной ГГ. Низкочастотная ГГ определяет уровень
характеристической чувствительности АС.
Делитель для выравнивания чувствительности представляет собой два резистора,
включаемых непосредственно перед соответствующей ГГ после разделительного
фильтра. Резистор R1 включен последовательно с ГГ, а R2 - параллельно
ей (рис. 1.4, а). Резисторы обычно применяют проволочные. Для их расчета
достаточно знать номинальное электрическое сопротивление соответствующей
ГГ и требуемое затухание делителя, которым является разность (в дБ) уровня
характеристической чувствительности данной ГГ по отношению к НЧ ГГ. При
этом следует учитывать, что уровень характеристической чувствительности
НЧ ГГ, включенной через разделительный фильтр нижних частот, всегда оказывается
на 1...2 дБ ниже по сравнению с указанным в паспорте на ГГ за счет потерь
на активном сопротивлении обмоточного провода катушек индуктивности, включенных
последовательно с НЧ ГГ. Эти потери необходимо сводить к минимуму, применяя
для изготовления этих катушек индуктивности обмоточный провод большого
сечения и наматывая его на ферритовые сердечники. Расчет сопротивлений
резисторов делителя можно выполнить по формулам:
где Rном - номинальное электрическое сопротивление соответствующей ГГ;
K=1/n - коэффициент, обратный величине требуемого затухания делителя;
n - затухание, выраженное в абсолютных единицах.
Частота разделения фильтров зависит от параметров применяемых ГГ и от
свойств слуха. Наилучший выбор частоты разделения - при котором каждая
из ГГ АС работает в пределах области поршневого действия диффузора. Однако
при этом АС должна иметь много частот разделения (соответственно ГГ),
что значительно увеличивает ее стоимость. Обычно многополосные АС имеют
от двух до четырех ГГ, т. е. от одной до трех частот разделения:
первая (низкая) частота разделения 150...1500 Гц;
вторая (средняя) частота разделения 500...5000 Гц;
третья (высшая) частота разделения 5000...8000 Гц.
Конструктивная реализация разделительных фильтров. ГГ в
АС могут иметь разделительные фильтры как одинакового, так и разного порядка.
Причины, по которым применяют разделительные фильтры различных порядков:
- ВЧ ГГ обычно включают через фильтр третьего порядка, имеющий максимальное
затухание, что обеспечивает требуемое ослабление составляющих сигнала,
совпадающих с частотой резонанса, и предохраняет ГГ от перегрузки;
- для получения желаемой частоты разделения приходится применять разделительные
фильтры более низкого порядка, так как ЧХ по звуковому давле-нию ГГ не
имеют прямолинейного вида.
Элементы разделительного фильтра первого порядка (рис. 1.4, а) рассчитываются
по формулам:
где f p - частота разделения, Гц;
Rном - номинальное электрическое сопротивление соответствующей ГГ, Ом.
Для расчета элементов разделительных фильтров второго и третьего порядка
принимают расчетные данные, полученные при расчете элементов разделительных
фильтров первого порядка для двухполосной АС, умноженные на коэффициенты,
указанные на рис. 1.4, б, в. Для получения заданной емкости подбирают
неполярные (бумажные, тонкопленочные и др.) конденсаторы на рабочее напряжение
не менее 55 В. Оптимальная конструкция катушки индуктивности, которая
обеспечивает максимум отношения индуктивности при наименьшем ее активном
сопротивлении, получается, когда внутренний диаметр цилиндрической обмотки
катушки вдвое больше ее высоты h, а внешний диаметр в 4 раза больше высоты
и в 2 раза больше внутреннего диаметра. При этих условиях
высота здесь L - в
микрогенри ( Гн),
R- в омах,
длина провода l= 187,3
число витков N= 19,88
диаметр провода (без изоляции) d = 0,84h/
(мм),
масса провода m = (кг).
Активное сопротивление катушки R выбирают не более 5% номинального электрического
сопротивления ГГ, последовательно которой она включена.
Электронные фильтры-корректоры используются для коррекции
характеристик АС в области низких частот. Техническая реализация-АС с
электромеханической обратной связью (ЭМОС), которая использует амплитудные
линейные и нелинейные корректоры, специальные усилители мощности со сложным
комплексным характером выходного сопротивления, согласованным с параметрами
НЧ ГГ.
Электронные устройства для защиты ГГ от перегрузок применяются
для защиты ГГ от тепловых и механических перегрузок. Защита как от длительных,
так и от кратковременных перегрузок становится возможной благодаря применению
различных вариантов пороговых схем. Пороговые .схемы обычно нагружаются
на цепи, включающие питание реле, коммутирующих ГГ. Для защиты от кратковременных
перегрузок применяются релейные устройства с порогами срабатывания, меньшими,
чем тепловые постоянные ГГ Тпор= 10...20 мс.
Устройства индикации перегрузок включаются в момент срабатывания
реле защиты или порогового устройства и сигнализируют о перегрузке АС.
Обычно в качeстве элементов индикации применяют светодиоды.
Регуляторы тембра применяют для коррекции частотной характеристики
АС в различных поддиапазонах (низко-, средне-, высокочастотных). Как правило,
они реализуются в виде пассивных Г-образных или дискретных аттенюаторов,
позволяющих изменять уровень сигнала.
|